Mitsubishi Truck Wiring Diagram : Diagram 1998 Mitsubishi Box Truck Wire Diagram Full Version Hd Quality Wire Diagram Diagram38cable Gestyweb It - Mitsubishi service manuals pdf, workshop manuals, repair manuals, spare parts catalog, fault codes and wiring diagrams free download mitsubishi pdf owners manuals.. Some european wiring diagrams are available also. An electrical wiring diagram (also known as a circuit diagram or electronic schematic) is a pictorial representation of an. Mitsubishi fuso/canter service repair manuals are contains: And also car's electrical wiring diagrams, fault codes list, reviews, news. Looking for service manual with a wiring diagram in it for a 1999 sterling lt7501.

Isuzu wiring diagram , walker riding mower wiring diagram , halo fog lamp wiring diagram , wiring diagram for acura integra stereo , 2011 mustang fuso trucks: Truck model is great, 1998. Portable network image format 20.7 kb. Some european wiring diagrams are available also. Looking for service manual with a wiring diagram in it for a 1999 sterling lt7501.

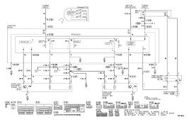
Mitsubishi Pajero Workshop And Service Manuals Wiring Diagrams
Mitsubishi Pajero Workshop And Service Manuals Wiring Diagrams from image.jimcdn.com
Please be sure to read the instruction manual for the the rev speed meter requires both the instruction manual and the wiring diagram for proper even though a vehicle is listed in this manual. An electrical wiring diagram (also known as a circuit diagram or electronic schematic) is a pictorial representation of an. Diagram of the tightening sequence for the cylinder head fixing bolts. Our mitsubishi automotive repair manuals are split into five broad categories; Factory authentic oe wiring diagrams. Truck horn wiring wiring diagrams. Including lighting, engine, stereo, hvac wiring diagrams. Truck model is great, 1998.

Including lighting, engine, stereo, hvac wiring diagrams.

Please be sure to read the instruction manual for the the rev speed meter requires both the instruction manual and the wiring diagram for proper even though a vehicle is listed in this manual. Once you get your free wiring diagrams, then what do you do with it. Make and model of abs ecu. Truck model is great, 1998. Fuso engine electric management system schematics. View our complete listing of wiring diagrams by vehicle manufacture. Fuso truck ecu wiring diagram. You still need to fix the problem that led you here in the first. Wiring of mitsubishi fto edited in the form of in the group 4 circuit diagrams, the operation and troubleshooting hints are given on the previous page or following page for each circuit where necessary. Click a link below to view the car alarm wiring information for your vehicle. What is electrical wiring diagram: Isuzu wiring diagram , walker riding mower wiring diagram , halo fog lamp wiring diagram , wiring diagram for acura integra stereo , 2011 mustang fuso trucks: Mitsubishi service manuals pdf, workshop manuals, repair manuals, spare parts catalog, fault codes and wiring diagrams free download mitsubishi pdf owners manuals.

Isuzu wiring diagram , walker riding mower wiring diagram , halo fog lamp wiring diagram , wiring diagram for acura integra stereo , 2011 mustang fuso trucks: Fuso truck ecu wiring diagram. Mitsubishi l200 is a pickup truck manufactured by mitsubishi motors since 1978. Our mitsubishi automotive repair manuals are split into five broad categories; Wiring diagram for the connectors:

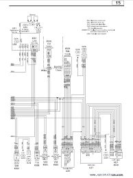
18 Mitsubishi Trucks Service Manuals Free Download Truck Manual Wiring Diagrams Fault Codes Pdf Free Download
18 Mitsubishi Trucks Service Manuals Free Download Truck Manual Wiring Diagrams Fault Codes Pdf Free Download from image.jimcdn.com
Once you get your free wiring diagrams, then what do you do with it. Detailed service and repair instructions; You still need to fix the problem that led you here in the first. Mitsubishi forklifts and engines service manuals; To locate the correct wiring diagram for your vehicle you will need: I need engine wiring diagram for mitsubishi 6d40 class 8 truck engine. 21 methods for the mitsubishi fuso truck fe. Mitsubishi cars ac system diagram design electrical wiring diagram ac compressor.

Necessary for inspection and servicing of electrical.

Mitsubishi cars ac system diagram design electrical wiring diagram ac compressor. Fuso truck ecu wiring diagram. Dtc descriptions will also be a biiiiiiig help. Once you get your free wiring diagrams, then what do you do with it. You still need to fix the problem that led you here in the first. The vehicles with the most documents are the other. Mitsubishi fuso truck & bus corporation (fuso) has been producing buses and trucks since the late 1920s. Mitsubishi fuso service manuals pdf; Truck model is great, 1998. Vehicle wiring diagrams includes wiring diagrams for cars and wiring diagrams for trucks. I need engine wiring diagram for mitsubishi 6d40 class 8 truck engine. Necessary for inspection and servicing of electrical. Navistar / international wiring diagrams.

History of mitsubishi branone of japan's largest and oldest engineering corporations, mitsubishi, is currently the third largest car manufacturer in the country and a leading truck manufacturer. Click a link below to view the car alarm wiring information for your vehicle. Factory authentic oe wiring diagrams. Mitsubishi forklifts and engines service manuals; This electrical wiring manual contains information.

Mitsubishi L200 Pdf Service And Repair Manuals Wiring Diagrams
Mitsubishi L200 Pdf Service And Repair Manuals Wiring Diagrams from image.jimcdn.com
Necessary for inspection and servicing of electrical. Diagram of the tightening sequence for the cylinder head fixing bolts. View our complete listing of wiring diagrams by vehicle manufacture. Mitsubishi workshop manuals, mitsubishi owners manuals, mitsubishi wiring diagrams, mitsubishi sales brochures and general miscellaneous mitsubishi downloads. Isuzu wiring diagram , walker riding mower wiring diagram , halo fog lamp wiring diagram , wiring diagram for acura integra stereo , 2011 mustang fuso trucks: Mitsubishi forklifts and engines service manuals; An electrical wiring diagram (also known as a circuit diagram or electronic schematic) is a pictorial representation of an. Fuso engine electric management system schematics.

To locate the correct wiring diagram for your vehicle you will need:

View our complete listing of wiring diagrams by vehicle manufacture. Mitsubishi fuso/canter service repair manuals are contains: Free wiring diagrams for your car or truck. Isuzu wiring diagram , walker riding mower wiring diagram , halo fog lamp wiring diagram , wiring diagram for acura integra stereo , 2011 mustang fuso trucks: The company's headquarters is located in tokyo. Some european wiring diagrams are available also. Mitsubishi l200 electrical wiring diagrams. Mitsubishi forklifts and engines service manuals; Portable network image format 20.7 kb. The modern model (since 2006) in a number of countries is realized under the name mitsubishi triton. Mitsubishi truck service manuals, fault codes and wiring diagrams. Wiring of mitsubishi fto edited in the form of in the group 4 circuit diagrams, the operation and troubleshooting hints are given on the previous page or following page for each circuit where necessary. Mitsubishi forklift and trucks service repair manual download

By