Home › Unlabelled ›
93 Buick Park Avenue Wiring Diagram - 1993 Buick Century A C Wiring Diagram Wiring Diagram Skip Provider Skip Provider Networkantidiscriminazione It : Or you are a pupil, or perhaps even you that just would like to know regarding starting wiring diagram 1993 buick park avenue.
93 Buick Park Avenue Wiring Diagram - 1993 Buick Century A C Wiring Diagram Wiring Diagram Skip Provider Skip Provider Networkantidiscriminazione It : Or you are a pupil, or perhaps even you that just would like to know regarding starting wiring diagram 1993 buick park avenue.. Totally free buick wiring diagrams! 93 buick century wiring diagram. Or you are a pupil, or perhaps even you that just would like to know regarding starting wiring diagram 1993 buick park avenue. Hi i own a 93 park avenue and i'm always replacing a relay due to it won't start. Park avenue automobile pdf manual download.
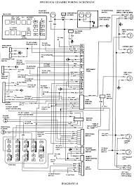
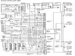
1937 buick roadmaster wiring diagram, 1957 buick all models, 1958 buick all models, 1959 buick all models, 1960 buick all models wiring diagram, 1961 buick lesabre wildcat electra, 1962 buick lesabre wildcat electra wiring diagram, 1965 buick lesabre front side wiring, 1983 buick electra park avenue fuel. 2004 pontiac bonneville engine diagram wiring diagram dash 93 buick park avenue ultra vacuum lines need a vacuum series motor diagram wiring diagram 2002 pontiac grand prix engine diagram owner manual 02 bonneville 3800 series 2 engine diagram 3800 v6 3 8 gm series ii intake manifold coolant leak 3800 series 2 engine diagram librar wiring 101. This information outlines the wires location, color and polarity to help you identify the proper connection spots in the vehicle. 1997 buick regal 4dr sedan wiring information: Searching for info concerning 1997 buick park avenue radio wiring diagram?
1993 Buick Lesabre Engine Diagram Wiring Diagram Forge Work Forge Work Casatecla It from carpny.org I jumpered the low pressure switch (i think) on the dryer but the compressor will still not run. Last year the a/c worked great, this year the compressor will not come on. Acdelco gm original equipment 19177099 abs wheel speed sensor wiring harness. I assumed it was low on gas so i connected a gauge and it still has pressure in it, approx 40psi. Buick factory service manuals online. Parkavenue 1997 automobile pdf manual download. Buick is an american automaker, the division of the corporation general motors. Park avenue automobile pdf manual download.
In addition to the north american market itself, buick is represented in the chinese market (most of the models sold there are not connected with the buicks of the american market).
Get the best deals on rear brakes & brake parts for buick park avenue when you shop the largest online. The reputation of buick cars is one that has been formed over the course of many years. 1996 buick skylark 2dr coupe wiring information: Is there a certain relay that has its own plug or are they all the same The temp sensor only gives a reading to the gauge with the key on, so this is most likely an instrument panel cluster (gauges) problem. 93 buick century wiring diagram. Trending at $10.27 +$5.30 shipping. This is a image galleries about 1993 buick roadmaster wiring diagramyou can also find other images like wiring diagram parts diagram replacement parts electrical diagram repair. 1997 buick regal 4dr sedan wiring information: Whether your an expert buick regal mobile electronics installer, buick regal fanatic, or a novice buick regal enthusiast with a 1993 buick regal, a car stereo wiring diagram can save yourself a lot of time. , , , , switch replacement installs in the steering column; Hi i own a 93 park avenue and i'm always replacing a relay due to it won't start. Information about 02 dodge ram 1500 heat wiring diagram has been published by lindsey s.
This information outlines the wires location, color and polarity to help you identify the proper connection spots in the vehicle. 1993 park avenue automobile pdf manual download. I have a wiring diagram but it does not show the blower on it. This full size luxury car was discontinued from the north american market in. Download and view your free pdf file of the 1993 buick park avenue owner manual on our comprehensive online database of automotive owners manuals buick park avenue 1993 owner's manual likes
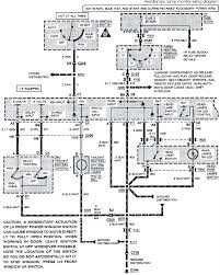
1993 Buick Lesabre Engine Diagram Wiring Diagram Book Rule Will A Rule Will A Prolocoisoletremiti It from lh5.googleusercontent.com I assumed it was low on gas so i connected a gauge and it still has pressure in it, approx 40psi. Or you are a pupil, or perhaps even you that just would like to know regarding starting wiring diagram 1993 buick park avenue. The reputation of buick cars is one that has been formed over the course of many years. View and download buick 1993 park avenue owner's manual online. Automotive wiring in a 1993 buick regal vehicles are becoming increasing more difficult to identify due to the installation of … 1993 buick regal car stereo wiring diagram read more » I have a wiring diagram but it does not show the blower on it. Buick park avenue forum 93 park avenue relay panels. Searching for info concerning 1997 buick park avenue radio wiring diagram?
Only moves,jumps a quarter of a inch when ignition is turned on.
Trending at $10.27 +$5.30 shipping. 1996 buick skylark 2dr coupe wiring information: You might be a technician that wishes to try to find references or address existing problems. Only alldata diy provides instant online access to the complete buick park avenue factory service manual with manufacturer specifications, diagrams. You may be a professional who wants to try to find recommendations or resolve existing problems. Buick park avenue the nameplate park avenue is derived from the famous new york boulevard and was introduced in 1975 as an option package of buick electra 225 limited. The temp sensor only gives a reading to the gauge with the key on, so this is most likely an instrument panel cluster (gauges) problem. Trunk pull down my park avenue was purchased at an esstate sale, only 25k miles. Park avenue 1997, 1997 park avenue. Temperature gauge needle laying down to the right past the h. Buick repair manual free download, fault codes, wiring diagrams pdf. Or you are a pupil, or perhaps even you that just would like to know regarding starting wiring diagram 1993 buick park avenue. Avenue buick park 1996 4dr sedan wiring information:
1991 buick roadmaster 4dr sedan wiring information: 2004 pontiac bonneville engine diagram wiring diagram dash 93 buick park avenue ultra vacuum lines need a vacuum series motor diagram wiring diagram 2002 pontiac grand prix engine diagram owner manual 02 bonneville 3800 series 2 engine diagram 3800 v6 3 8 gm series ii intake manifold coolant leak 3800 series 2 engine diagram librar wiring 101. Buick park avenue the nameplate park avenue is derived from the famous new york boulevard and was introduced in 1975 as an option package of buick electra 225 limited. You might be a technician that wishes to try to find references or address existing problems. Automotive wiring in a 1993 buick century vehicles are becoming increasing more difficult to identify due to the installation of … 1993 buick century car audio wiring diagram read.
1993 Buick Park Avenue Engine Diagram 3753 Julialik Es from tse1.mm.bing.net View and download buick parkavenue 1997 manual online. 1992 buick regal 4dr sedan wiring information: Download and view your free pdf file of the 1993 buick park avenue owner manual on our comprehensive online database of automotive owners manuals buick park avenue 1993 owner's manual likes Automotive wiring in a 1993 buick century vehicles are becoming increasing more difficult to identify due to the installation of … 1993 buick century car audio wiring diagram read. Or you are a pupil, or perhaps even you that just would like to know regarding starting wiring diagram 1993 buick park avenue. Whether your an expert buick regal mobile electronics installer, buick regal fanatic, or a novice buick regal enthusiast with a 1993 buick regal, a car stereo wiring diagram can save yourself a lot of time. Buick factory service manuals online. Easy to use parts catalog.
You might be a technician that wishes to try to find references or address existing problems.
That racing channel recommended for you. Whether your an expert buick regal mobile electronics installer, buick regal fanatic, or a novice buick regal enthusiast with a 1993 buick regal, a car stereo wiring diagram can save yourself a lot of time. Parkavenue 1997 automobile pdf manual download. The reputation of buick cars is one that has been formed over the course of many years. I have a wiring diagram but it does not show the blower on it. Buick park avenue the nameplate park avenue is derived from the famous new york boulevard and was introduced in 1975 as an option package of buick electra 225 limited. Easy to use parts catalog. Information about 02 dodge ram 1500 heat wiring diagram has been published by lindsey s. Trunk pull down my park avenue was purchased at an esstate sale, only 25k miles. , , , , switch replacement installs in the steering column; Is there a certain relay that has its own plug or are they all the same This full size luxury car was discontinued from the north american market in. Buick is an american automaker, the division of the corporation general motors.