1997 Mitsubishi Mirage Fuse Box Diagram : 1997 Mitsubishi Mirage The ignition fuse, 20 amps, blows ... - Fuse box location and diagrams:. Stop lamp, hazard warning flasher, fog light, tail light, air conditioning, headlight upper beam, horn, radio, dome light, engine control, engine control, power window, radiator fan control, headlight, ignition switch, air conditioning, alternator, condenser fan motor. The mitsubishi mirage is a subcompact car produced by mitsubishi motors from 1978 to 2002. Coupe), mitsubishi signo (sedan), mitsubishi virage, soueast lingshuai. Fuse panel layout diagram parts: The following wiring diagram and electrical circuit/schematics manual provide detail information about the electrical system description, illustration.

1997 mitsubishi 3000gt mini fuse box diagram 1997 mitsubishi 3000gt mini fuse box map fuse panel layout diagram parts: 1991 fuse box diagram warning: Component locations, eng., pdf, 1,32 mb. Configuration diagrams, eng., pdf, 639 kb. Kawasaki kia lada lancia land rover lexus lifan lincoln lotus lumina mazda mercedes mercury mercy mg mini cooper mirage mitsubishi mustang new holland nissan oldsmobile opel peugeot plymouth pontiac porsche range rover renault saab saturn.

98 Mitsubishi Mirage Fuse Diagram - Wiring Diagram Networks
98 Mitsubishi Mirage Fuse Diagram - Wiring Diagram Networks from online.anyflip.com
Matching tables, to check the fuse that is. The video above shows how to replace blown fuses in the interior fuse box of your 2015 mitsubishi mirage in addition to the fuse panel diagram location. Coupe), mitsubishi signo (sedan), mitsubishi virage, soueast lingshuai. Fuse panel layout diagram parts: Fuso engine electric management system schematics. Kawasaki kia lada lancia land rover lexus lifan lincoln lotus lumina mazda mercedes mercury mercy mg mini cooper mirage mitsubishi mustang new holland nissan oldsmobile opel peugeot plymouth pontiac porsche range rover renault saab saturn. 7ed6c6 2000 mitsubishi mirage fuse box diagram wiring resources. However the schematic/diagram on the fuse box cover mitsubishi 2000 mirage 20 amp engine fuse blows car dies replaced does the same thing some.

For the mitsubishi colt (cj, cp) 1996, 1997, 1998, 1999, 2000, 2001, 2002, 2003, 2004 model year.

1992 mitsubishi mirage fuse box electrical problem 1992. Location of fuse boxes, fuse diagrams, assignment of the electrical fuses and relays in mitsubishi vehicle. Stop lamp, hazard warning flasher, fog light, tail light, air conditioning, headlight upper beam, horn, radio, dome light, engine control, engine control, power window, radiator fan control, headlight, ignition switch, air conditioning, alternator, condenser fan motor. 7ed6c6 2000 mitsubishi mirage fuse box diagram wiring resources. I am trying to figure out what fuse goes to what and what size fuse to put into the empty slots? For the mitsubishi colt (cj, cp) 1996, 1997, 1998, 1999, 2000, 2001, 2002, 2003, 2004 model year. The fuse is located under the hood, drivers side, in a black box and the the 50 amp fuse did not heat up either. Component locations, eng., pdf, 1,32 mb. Fuse box diagram (location and assignment of electrical fuses) for mitsubishi mirage / space star (2014, 2015, 2016, 2017, 2018, 2019). Splice locations, eng., pdf, 215 kb. Fuse panel layout diagram parts: Fuso engine electric management system schematics. Coupe), mitsubishi signo (sedan), mitsubishi virage, soueast lingshuai.

2001 mitsubishi fuse box location box wiring diagram. Mitsubishi mirage, mitsubishi mirage technica (puerto rico; 1991 fuse box diagram warning: It was also sold as the mitsubishi colt or lancer. Configuration diagrams, eng., pdf, 639 kb.

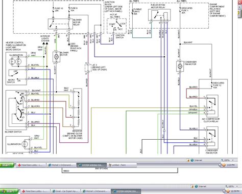
1998 Mitsubishi Mirage Wiring Diagram - espressorose
1998 Mitsubishi Mirage Wiring Diagram - espressorose from fuse-box.info
Posted by moondancer_4 on jan 21, 2010. I am trying to figure out what fuse goes to what and what size fuse to put into the empty slots? Circuit diagrams, eng., pdf, 7,26 mb. Fuse box location and diagrams: I have just bought a 95 mitsubishi mirage 2 door coupe. Cigar lighter, radio, heater relay, defogger relay, automatic seat belt, turn signal, meter, horn, headlight, wiper, door lock, dome light fuse box mitsubishi 1997 mirage engine compartment diagram. 1992 mitsubishi mirage fuse box electrical problem 1992. 1991 fuse box diagram warning:

Fuse panel layout diagram parts:

I am trying to figure out what fuse goes to what and what size fuse to put into the empty slots? Fuso truck ecu wiring diagram. The fuse is located under the hood, drivers side, in a black box and the the 50 amp fuse did not heat up either. 1997 mitsubishi 3000gt mini fuse box diagram 1997 mitsubishi 3000gt mini fuse box map fuse panel layout diagram parts: Use the fuse location diagrams and the. It was also sold as the mitsubishi colt or lancer. Circuit diagrams, eng., pdf, 7,26 mb. Configuration diagrams, eng., pdf, 639 kb. Matching tables, to check the fuse that is. Fuse panel layout diagram parts: Fuse panel layout diagram parts: Free repair manuals & wiring diagrams. Fuse box location and diagrams:

Mitsubishi fuso truck & bus corporation (fuso) has been producing buses and trucks since the late 1920s. Free repair manuals & wiring diagrams. If your mitsubishi mirage headlights or something else out of electrical system doesn't work, check the fusebox and if it is needed, make a replacement. Coupe), mitsubishi signo (sedan), mitsubishi virage, soueast lingshuai. Mitsubishi mirage pdf workshop and repair manuals.

93 Mitsubishi Mirage Fuse Diagram - Wiring Diagram Networks
93 Mitsubishi Mirage Fuse Diagram - Wiring Diagram Networks from i1.wp.com
Cigar lighter, radio, heater relay, defogger relay, automatic seat belt, turn signal, meter, horn, headlight, wiper, door lock, dome light fuse box mitsubishi 1997 mirage engine compartment diagram. Posted by moondancer_4 on jan 21, 2010. Ремонт » электрика » электросхемы » mitsubishi » mirage. However the schematic/diagram on the fuse box cover mitsubishi 2000 mirage 20 amp engine fuse blows car dies replaced does the same thing some. There is no cover where i suspect the diagram most likely is! Fuse panel layout diagram parts: 1992 mitsubishi mirage fuse box electrical problem 1992. 1991 fuse box diagram warning:

The fuse is located under the hood, drivers side, in a black box and the the 50 amp fuse did not heat up either.

The fuse is located under the hood, drivers side, in a black box and the the 50 amp fuse did not heat up either. Terminal and harness assignments for individual connectors will vary depending on vehicle equipment level, model. Configuration diagrams, eng., pdf, 639 kb. Posted by moondancer_4 on jan 21, 2010. Splice locations, eng., pdf, 215 kb. Fuse box location and diagrams: Fuse panel layout diagram parts: Fuso truck fuses box schema. You can download any ebooks you wanted like mitsubishi mirage 1997 fuse. 7ed6c6 2000 mitsubishi mirage fuse box diagram wiring resources. Location of fuse boxes, fuse diagrams, assignment of the electrical fuses and relays in mitsubishi vehicle. Ремонт » электрика » электросхемы » mitsubishi » mirage. Fuso truck ecu wiring diagram.

By